防孤岛保护装置概述
防孤岛保护装置在变电站中主要的作用是故障时断开并网点开关,避免线路上有人员施工检修造成不必要的人员伤亡。避免电网的故障而引起光伏电站的不正常运行,对电站造成冲击。根据实际情况和当地的具体要求,一般情况下大中型光伏电站可以安装孤岛保护,也可不安装。但是当故障时必须可以快速准确的切除并网开关。主要是在大中型光伏电站中都建有变电站,站中有比较齐全的微机保护装置。当故障发生时,对应的微机保护会及时准确的动作。孤岛保护装置有时候在电站中作为一个后备保护存在。而对于分布式光伏电站来讲,由于安装容量比较小,而且低压并网。因此一般没有建变电所。正是由于这个原因,也为了保证电网的安全,根据当地的要求,一般会有低压防孤岛保护装置、同期装置、 电能质量监测等。
光伏防孤岛保护装置的功能
高频保护功能:当装置检测到电网频率过高时,且大于整定值时,光伏发电防孤岛装置动作跳闸。
低频保护功能:当装置检测到电网频率降低时,且低于整定值时,光伏发电防孤岛装置动作跳闸。
高压保护功能:当装置检测到电网电压过高时,且大于整定值时,光伏发电防孤岛装置动作跳闸。
低压保护功能:当装置检测到电网电压降低时,且低于整定值时,如防孤岛装置动作跳闸。
逆功率保护功能:对于自发自用的光伏电站,光伏发电是不允许流入电网,当并网点检测到有功率逆向流入时,跳开光伏开关,上网的项目,要防止电网侧向光伏侧反送电,侧也需要光伏逆功率保护,具体情况由项目来定。
有压合闸功能:当电网电压降低或者消失时,装置发出跳闸命令,跳开开关,当电压恢复正常后,经过一段时间,装置发出合闸命令合闸(根据供电局要求可自行投退)。
高电压故障恢复合闸:当电网电压过高引起跳闸时,当电压恢复正常范围后,经过一段时间开关合闸(根据供电局要求可自行投退)。
高频故障恢复合闸:当电网频率过高引起跳闸时,当频率恢复正常范围后,经过一段时间,开关合闸(根据供电局要求可自行投退)。
低频故障恢复合闸:当电网频率过低引起跳闸时,当频率恢复正常范围后,经过一段时间,开关合闸(根据供电局要求可自行投退)。
光伏防孤岛保护装置的工作逻辑图
过流Ⅰ段(速断)方向保护
当任意一相电流大于过流Ⅰ段(速断)方向保护电流定值时,保护动作,从故障电流到启动到保护动作出口的最短时间不大于40ms(包括继电器固有动作时间),为了躲过路线避雷器的放电时间,过流Ⅰ段(速断)保护也设置了可以针对的延时时间。其原理图如下所示:

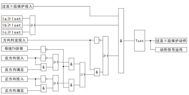
过流Ⅱ段(限时电流速断)方向保护
当任意一相电流大于过流Ⅱ段(限时电流速断)方向保护电流定值时,经可设定的延时时间,保护动作。其原理图如下所示:

过流Ⅲ段(定时限过流)方向保护
当任意一相电流大于过流Ⅲ段(定时限过流)方向保护电流定值时,经可设定的延时时间,保护动作。其原理图如下所示:

防孤岛保护装置过负荷保护
设有过负荷保护,保护可选择动作于跳闸或告警,过负荷保护投退可整定为:退出、投入。其原理图如下所示:

零序电流保护
防孤岛保护装置设有零序电流保护,保护可选择动作于跳闸或告警,投退控制可整定为:退出、投入,动作方式可整定为:告警、跳闸。其原理图如下所示:

防孤岛保护装置过电压保护
设有过电压保护,当任意一相大于设定的电压保护定值Uset或断路器在合位或者任意一相电流值大于1A。其原理图如下所示:

低电压保护
设有低电压保护,当任意一相小于设定的电压保护定值Uset或断路器在合位或者任意一相电流值大于1A。其原理图如下所示:

自动有压合闸
设有自动有压合闸功能,自动有压合闸功能应用于分布式发电模式,是指当进线开关处于跳位,检测到主电网电压恢复正常且分布式发电侧无压后,系统经合闸延时后自动合闸。所有保护动作后,自动有压合闸仍可动作一次,若动作一次后20S内保护再次动作,则长时间闭锁自动有压合闸,直到手合、遥合命令发出后再次开放自动有压合闸;若20S内保护没有动作(在合位),则开放自动有压合闸。防孤岛保护装置处于检修(检修开入有信号)时,闭锁自动合闸功能。其原理图如下所示:






支付宝收款码
微信收款码
参与评论 (0)